首页
关于我们
公司简介
企业文化
产品中心
一二次融合系列
箱式变电站系列
高压开关系列
低压开关系列
电缆分支箱系列
三相不平衡自动调节
光伏箱系列
母线槽系列
高压元器件
应用领域
新闻资讯
公司新闻
行业动态
资料下载
联系我们
联系方式
在线留言
English
English
网站首页
关于我们
公司简介
企业文化
产品中心
一二次融合系列
箱式变电站系列
高压开关系列
低压开关系列
电缆分支箱系列
三相不平衡自动调节
光伏箱系列
母线槽系列
高压元器件
应用领域
新闻资讯
公司新闻
行业动态
资料下载
联系我们
联系方式
在线留言
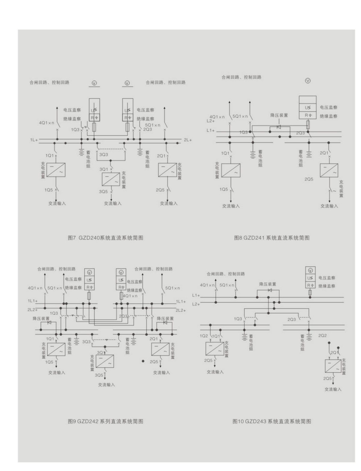
高压开关系列
GZDW高频开关电源直流屏
13752857009
(联系电话 7×24)